THEO CHÚNG TÔI:

Các sản phẩm
Công tắc cam quay kết hợp 20A 4kw có vỏ

Công tắc cam quay kết hợp 20A 4kw có vỏ

Với hơn 30 năm kinh nghiệm trong ngành, Yaming đã cho ra mắt Công tắc cam xoay kết hợp 20A 4kW có vỏ đáng tin cậy, được thiết kế để điều khiển mạch ổn định và hiệu quả. Tận dụng quy trình sản xuất tiên tiến và hệ thống chất lượng nghiêm ngặt, bộ chuyển mạch dòng HZ5 này phù hợp với nhiều tình huống công nghiệp khác nhau, hỗ trợ cấu hình tùy chỉnh và là lựa chọn đáng tin cậy cho người mua toàn cầu.

Chiết Giang Yaming Electric, với hơn 30 năm kinh nghiệm trong ngành, là nhà cung cấp hàng đầu và đáng tin cậy trong lĩnh vực chuyển mạch điện, sở hữu năng lực kỹ thuật mạnh mẽ và hệ thống chất lượng nghiêm ngặt. Là nhà sản xuất chuyên nghiệp có trụ sở tại Trung Quốc, chúng tôi tích hợp các quy trình sản xuất phức tạp và công nghệ tiên tiến để tạo ra các bộ phận điều khiển hiệu suất cao cho khách hàng toàn cầu. Công tắc cam xoay kết hợp 20A 4kW có vỏ cung cấp các giải pháp điều khiển ổn định, hiệu quả và tùy chỉnh cho các ứng dụng mạch khác nhau, thể hiện hiệu suất tuyệt vời và khả năng thích ứng cao trong nhiều tình huống công nghiệp và điện.


Thông số kỹ thuật


Công tắc cam quay kết hợp 20A 4kW có vỏ này phù hợp với hệ thống mạch điện xoay chiều 50Hz. Thuộc dòng HZ5, điện áp hoạt động định mức của nó có thể đạt tới 380V AC và 240V DC, và dòng điện định mức của nó có thể đạt tới 63A. Model cụ thể là 20A 4kW có vỏ bảo vệ.


Ứng dụng chính


Công tắc cam xoay kết hợp 20A 4kW có vỏ này lý tưởng cho các hoạt động chuyển mạch thủ công, không thường xuyên, cho phép các chức năng chuyển mạch và điều khiển mạch. Nó cũng có thể điều khiển trực tiếp động cơ AC công suất nhỏ, đóng vai trò là thiết bị đo mạch và điều khiển chính, đồng thời hỗ trợ điều chỉnh tốc độ động cơ.


Tính năng sản phẩm


Công tắc cam xoay kết hợp 20A 4kW có vỏ này được thiết kế cho mạch điện xoay chiều 50Hz và tương thích với lưới điện công nghiệp tiêu chuẩn. Nó duy trì hiệu suất ổn định dưới điện áp định mức lên tới 380V AC và 240V DC và dòng điện định mức lên tới 63A. Nó hỗ trợ chuyển đổi, điều khiển và chuyển đổi mạch thủ công, không thường xuyên và có thể vận hành trực tiếp động cơ AC công suất nhỏ, cho phép điều khiển chính, đo mạch và điều chỉnh tốc độ. Các giải pháp tùy chỉnh toàn diện cũng có sẵn, với số cực và cài đặt tốc độ phù hợp với nhu cầu của khách hàng.


Ứng dụng sản phẩm



Thông số kỹ thuật



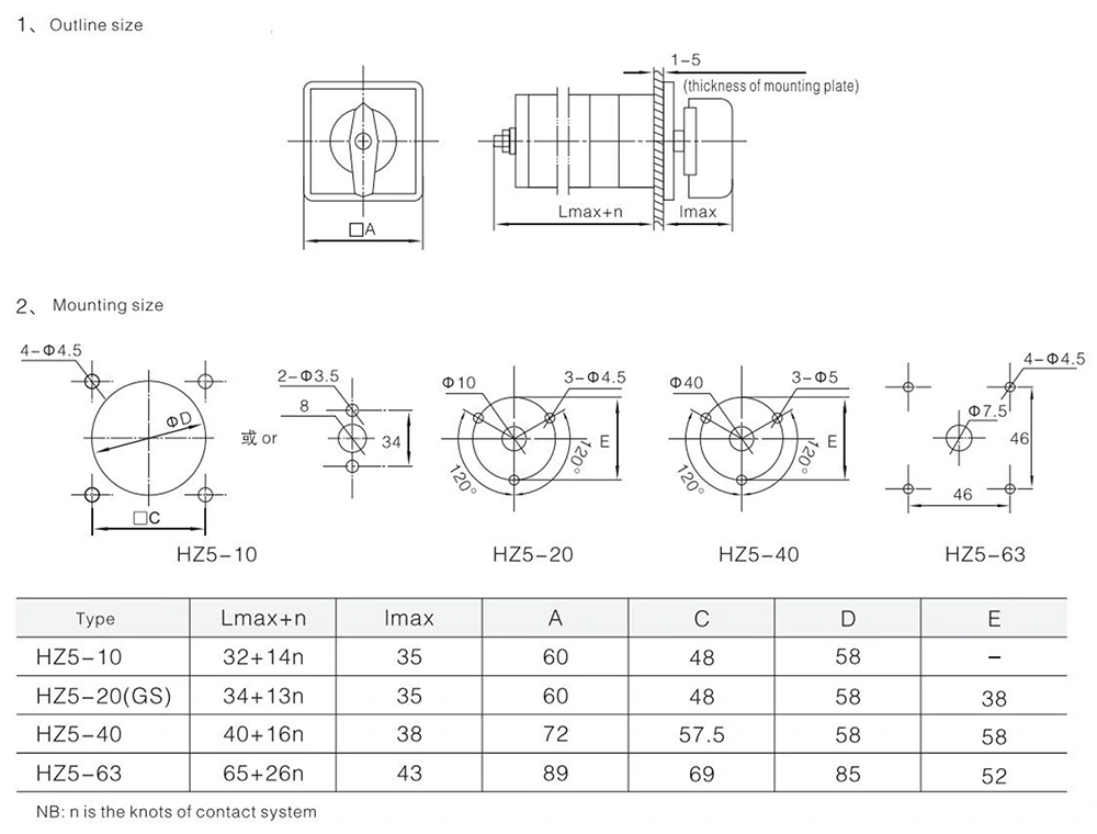
Kích thước phác thảo sản phẩm kích thước cài đặt


Tại sao chọn Yaming?


Là nhà cung cấp đáng tin cậy với cơ sở sản xuất riêng, Yaming đảm bảo chất lượng ổn định, giao hàng đúng hẹn và tùy chỉnh linh hoạt cho mọi đơn hàng. Công tắc cam quay kết hợp 20A 4kW có vỏ của chúng tôi kết hợp sự an toàn, độ bền và tính linh hoạt để đáp ứng nhu cầu đa dạng của hệ thống điện hiện đại.


Thẻ nóng: Công tắc cam quay kết hợp 20A 4kw có vỏ Trung Quốc, Nhà sản xuất, Nhà cung cấp, Nhà máy
Gửi yêu cầu
Thông tin liên lạc
  • Địa chỉ

    Đường số 8 Yaming, Khu công nghiệp Tương Dương, thành phố Nhạc Thanh, tỉnh Chiết Giang, Trung Quốc

  • điện thoại

    +86-13968778552

Nếu bạn có bất kỳ câu hỏi nào về báo giá hoặc hợp tác, vui lòng gửi email hoặc sử dụng mẫu yêu cầu sau. Đại diện bán hàng của chúng tôi sẽ liên hệ với bạn trong vòng 24 giờ.
X
Chúng tôi sử dụng cookie để cung cấp cho bạn trải nghiệm duyệt web tốt hơn, phân tích lưu lượng truy cập trang web và cá nhân hóa nội dung. Bằng cách sử dụng trang web này, bạn đồng ý với việc chúng tôi sử dụng cookie. Chính sách bảo mật
Từ chối Chấp nhận